-
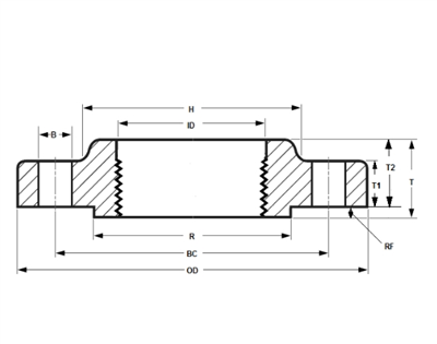
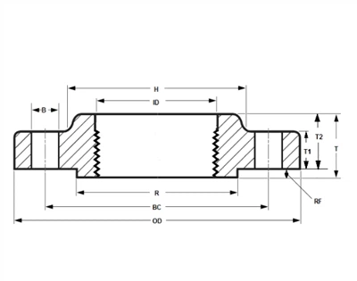
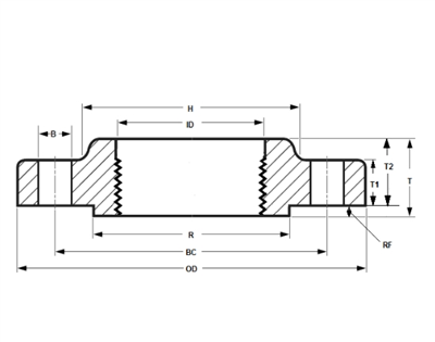
Mar 12, 2024ASME B16.5 থ্রেডেড ফ্ল্যাঞ্জ ক্লাস 2500 ইঞ্চিতেASME B16.5 থ্রেডেড ফ্ল্যাঞ্জ ক্লাস 2500 ইঞ্চিতে -
Mar 12, 2024ASME B16.5 থ্রেডেড ফ্ল্যাঞ্জ ক্লাস 1500 ইঞ্চিতেASME B16.5 থ্রেডেড ফ্ল্যাঞ্জ ক্লাস 1500 ইঞ্চিতে -
Mar 12, 2024ASME B16.5 থ্রেডেড ফ্ল্যাঞ্জ ক্লাস 900 ইঞ্চিতেASME B16.5 থ্রেডেড ফ্ল্যাঞ্জ ক্লাস 900 ইঞ্চিতে -
Mar 12, 2024ASME B16.5 থ্রেডেড ফ্ল্যাঞ্জ ক্লাস 600 ইঞ্চিতেASME B16.5 থ্রেডেড ফ্ল্যাঞ্জ ক্লাস 600 ইঞ্চিতে -
Mar 12, 2024ASME B16.5 থ্রেডেড ফ্ল্যাঞ্জ ক্লাস 400 ইঞ্চিতেASME B16.5 থ্রেডেড ফ্ল্যাঞ্জ ক্লাস 400 ইঞ্চিতে -
Mar 12, 2024ASME B16.5 থ্রেডেড ফ্ল্যাঞ্জ ক্লাস 300 ইঞ্চিতেASME B16.5 থ্রেডেড ফ্ল্যাঞ্জ ক্লাস 300 ইঞ্চিতে -
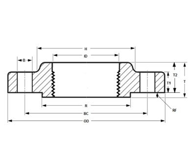
Mar 12, 2024ASME B16.5 থ্রেডেড ফ্ল্যাঞ্জ ক্লাস 150 ইঞ্চিতেASME B16.5 থ্রেডেড ফ্ল্যাঞ্জ ক্লাস 150 ইঞ্চিতে -
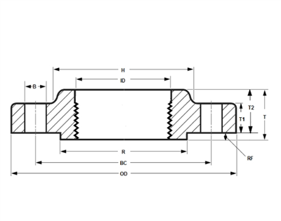
Mar 12, 2024ক্লাস 2500 ওয়েল্ডিং নেক ফ্ল্যাঞ্জের মাত্রাক্লাস 2500 ওয়েল্ডিং নেক ফ্ল্যাঞ্জের মাত্রা -
Mar 12, 2024ক্লাস 1500 ওয়েল্ডিং নেক ফ্ল্যাঞ্জের মাত্রাক্লাস 1500 ওয়েল্ডিং নেক ফ্ল্যাঞ্জের মাত্রা








